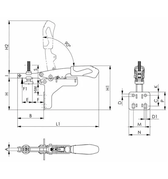
variabel · mit offenem Haltearm und Winkelfuß · mit stufenloser Ausgleichsfunktion für Werkstücke mit unterschiedlichen Spannhöhen · verzinkt und passiviert · ergonomischer, ölbeständiger Handgriff mit großer Handauflage und weicher Komponente · Verliersicherung für die Andrückschraube am Spannarm-Ende · automatischer Höhenausgleich S: Größe 20 = 20 mm Größe 50 = 35 mm maximaler Höhenausgleich: Größe 20 = 35 mm Größe 50 = 40 mm Weitere technische Eigenschaften: · A: 8,4mm · C: 22-32mm · D: 6,5mm · Andrückschraube: M8 x 55 · HW min.: 1mm · L1: 244mm · HW max.: 31mm · H1: 124mm · F1: 3kN · H2: 158mm · Bauart: Winkelfuß · I: 13mm · F: 37mm · B: 85mm · P: 51mm · K: 10,6mm · E: 35mm · M: 38,1mm · H: 88mm · N: 57mm · D1: 6,5mm
| Eigenschaften | |
|---|---|
| Spannhöhe: | 88 |
| Größe: | 50 |
| Haltekraft F1: | 3 |










Rezensionen
Es gibt noch keine Rezensionen.