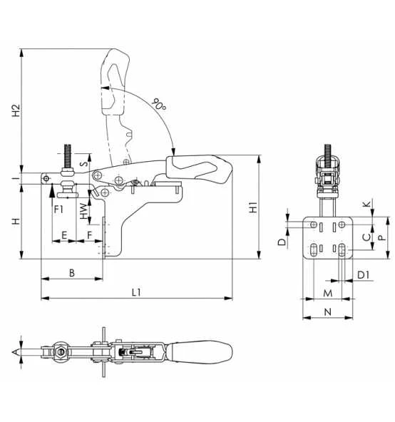
variabel · mit offenem Haltearm und Winkelfuß · mit stufenloser Ausgleichsfunktion für Werkstücke mit unterschiedlichen Spannhöhen · verzinkt und passiviert · ergonomischer, ölbeständiger Handgriff mit großer Handauflage und weicher Komponente · Verliersicherung für die Andrückschraube am Spannarm-Ende · automatischer Höhenausgleich S: Größe 20 = 20 mm Größe 50 = 35 mm maximaler Höhenausgleich: Größe 20 = 35 mm Größe 50 = 40 mm Weitere technische Eigenschaften: · A: 6mm · C: 20-26mm · D: 5,6mm · Andrückschraube: M6 x 40 · HW min.: -3mm · HW max.: 24mm · L1: 173mm · H1: 94mm · F1: 2kN · H2: 113mm · Bauart: Winkelfuß · I: 10mm · F: 24mm · B: 56mm · P: 38mm · K: 7,1mm · E: 22mm · M: 25,4mm · H: 68mm · N: 45mm · D1: 5,6mm
| Eigenschaften | |
|---|---|
| Spannhöhe: | 68 |
| Größe: | 20 |
| Haltekraft F1: | 2 |











Rezensionen
Es gibt noch keine Rezensionen.